«Tool Selector» Effizient zum passenden Entgratwerkzeug

Quelle: Pressemitteilung 4 min Lesedauer

Anbieter zum Thema

Online in nur wenigen Minuten zur optimalen Entgratlösung: Der «Tool Selector» von Heule Precision Tools macht es möglich. Durch das digitale Abbilden des breiten Sortiments in Kombination mit einem ausgeklügelten Algorithmus wird in Kürze das passende Werkzeug evaluiert. Dies ermöglicht dem Anwender eine erhebliche Zeitersparnis bei der Werkzeugauswahl.

Darstellung des Produktportfolios an Werkzeugen für die beidseitige Bohrungsbearbeitung.(Bild:  Heule)
Darstellung des Produktportfolios an Werkzeugen für die beidseitige Bohrungsbearbeitung.
(Bild: Heule)

In der modernen Fertigung entscheiden präzise und effiziente Prozesse über Qualität und Wirtschaftlichkeit. Gerade bei der Bohrungsbearbeitung ist das ideale Werkzeug unverzichtbar, die Auswahl aber oft zeitaufwendig und komplex. Denn es gibt verschiedenste Faktoren, die beachtet werden müssen: Wie sind die technischen Anforderungen an das Ergebnis, reicht ein «einfaches» Entfernen des Grates oder muss eine Senkung her? Wie sind die Dimensionen der Bohrung und des gewünschten Ergebnisses? Welchen Werkstoff gilt es zu bearbeiten?

Wer sich durch Datenblätter kämpfen muss, verliert wertvolle Zeit. Gefragt ist also ein Weg, der schnell und zuverlässig zur passgenauen Lösung führt.

Bildergalerie

Präzise Auswahl von Entgratwerkzeugen durch webbasierte Lösung

Ein Anwender sucht im «Tool Selector» die passende Entgratlösung für die Bohrungen an seinem Werkstück.(Bild:  Heule)
Ein Anwender sucht im «Tool Selector» die passende Entgratlösung für die Bohrungen an seinem Werkstück.
(Bild: Heule)

Der webbasierte «Tool Selector» von Heule führe, so der Hersteller, Anwender Schritt für Schritt zur passgenauen Lösung – intuitiv und verlässlich in einem modernen und übersichtlichen Design. Der «Tool Selector» wurde auf Basis langjähriger Praxiserfahrung entwickelt und bildet das komplette Standardsortiment der Heule Werkzeuglösungen ab.

Durch die Eingabe spezifischer Anwendungsdaten in eine klar strukturierte Weboberfläche findet der Anwender schnell und zielgerichtet zur optimalen Entgratlösung. Eine intuitive und benutzerfreundliche Navigation begleitet ihn dabei Schritt für Schritt durch den «Tool Selector».

1. Bearbeitungsart wählen

Zu Beginn entscheidet der Nutzer zwischen den Technologien Entgraten, Fasen, Senken oder kombiniertem Bohren. Diese Vorauswahl filtert das Werkzeugangebot.

2. Werkzeugfamilie auswählen & Parameter definieren

Passend zur gewählten Bearbeitungsart zeigt der «Tool Selector» alle möglichen Werkzeuglösungen von Heule an. Anschliessend werden die anwendungsspezifischen Daten definiert, bspw. Bohr- und Entgratdurchmesser, Werkstückhöhe, zu bearbeitende Kanten, Werkstückspezifikationen und Werkstoff. Diese Angaben sind die Grundlage für eine massgeschneiderte Empfehlung.

3. Ergebnis erhalten

Basierend auf den eingegebenen Daten schlägt der «Tool Selector» die passende Entgratlösung vor und stellt alle relevanten Informationen kompakt zur Verfügung – von Abmessungen und Schnittwerten bis hin zu Programmierhinweisen. Ein besonderer Vorteil: Die vorgeschlagene Lösung kann als einseitiges PDF gespeichert oder ausgedruckt werden und steht dem Anwender somit sofort zur Verfügung.

4. Direkter Draht zu den Spezialisten

Wenn die vorgeschlagene Lösung weiter konkretisiert oder bestellt werden soll, empfiehlt sich der direkte Austausch mit einem Experten. Aus dem «Tool Selector» heraus kann der Anwender eine Anfrage an das Team senden – inklusive Upload eigener Zeichnungen oder 3D-Modelle.

Dank der klaren Schritt-für-Schritt-Struktur gelangen Anwender schnell zur passenden Entgratlösung – einfach, zielgerichtet und individuell abgestimmt. Naser Tajroski (Market Development Manager, Heule Precision Tools): «Durch den ‹Tool Selector› ermöglichen wir unseren Kunden, innerhalb kürzester Zeit eine massgeschneiderte Lösung anzubieten. Die benutzerfreundliche und leicht verständliche Oberfläche ist auch für Anwender geeignet, die erstmals mit dem Thema Entgraten in Kontakt treten.»

Praxisbeispiel

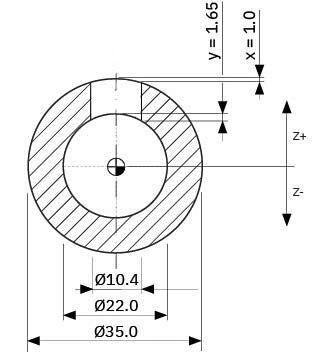
Technische Zeichnung des zu bearbeitenden Stahlrohrs mit Anwendungsdaten.(Bild:  Heule)
Technische Zeichnung des zu bearbeitenden Stahlrohrs mit Anwendungsdaten.
(Bild: Heule)

Darstellung des vorgeschlagenen Entgratwerkzeugs, basierend auf den spezifischen Eingaben des Anwenders.(Bild:  Heule)
Darstellung des vorgeschlagenen Entgratwerkzeugs, basierend auf den spezifischen Eingaben des Anwenders.
(Bild: Heule)

  • Schritt 1: Bearbeitungsart «Entgraten» wählen.
  • Schritt 2: Werkzeugfamilie COFA auswählen (Entgraten vor- und rückwärts ab Ø 2 mm), relevante Parameter eingeben, wie unter anderem: Bohr-Ø: 10.4 mm, Entgrat-Ø: 11.6 mm, Werkstückhöhe (Bohrtiefe): 8.15 mm, Bearbeitung: beide Bohrungskanten, Oberfläche: unebene Oberfläche, Innen-Ø: 22 mm, Achsversatz: 0 mm. Der «Tool Selector» berechnet daraufhin automatisch einen Überhöhungswinkel von 15,9°, der für die Entgratung an den Rohren entscheidend ist. Werkstoff: Stahl mit mittlerem und hohem Kohlenstoffgehalt.
  • Schritt 3: Der «Tool Selector» empfiehlt dem Anwender die passende Lösung: COFA C8/10.4/H und Messer mit Freiwinkel 20°, sowie zeigt Schnittdaten und Programmierhinweisen.
  • Schritt 4: PDF herunterladen und/oder Beratung anfordern – fertig.

Alle relevanten Daten zu der empfohlenen Werkzeuglösung

Der Anwender profitiert von einer erheblichen Zeitersparnis: Innerhalb nur weniger Minuten wird – basierend auf den anwendungsspezifischen Parametern – die optimal geeignete Entgratlösung aus dem gesamten Heule Standard-Produktportfolio ermittelt. Ein weiterer Vorteil ist die benutzerfreundliche Bedienung. Die intuitive Oberfläche sowie das übersichtliche und moderne Layout sprechen für sich. Für die Anwendung ist kein Expertenwissen erforderlich – der «Tool Selector» eignet sich daher auch ideal für Einsteiger auf diesem Gebiet.

Am Ende des Auswahlprozesses erhält der Anwender alle relevanten Daten zu seiner empfohlenen Werkzeuglösung in einem kompakten PDF.

Jetzt Newsletter abonnieren

Verpassen Sie nicht unsere besten Inhalte

Mit Klick auf „Newsletter abonnieren“ erkläre ich mich mit der Verarbeitung und Nutzung meiner Daten gemäß Einwilligungserklärung (bitte aufklappen für Details) einverstanden und akzeptiere die Nutzungsbedingungen. Weitere Informationen finde ich in unserer Datenschutzerklärung. Die Einwilligungserklärung bezieht sich u. a. auf die Zusendung von redaktionellen Newslettern per E-Mail und auf den Datenabgleich zu Marketingzwecken mit ausgewählten Werbepartnern (z. B. LinkedIn, Google, Meta).

Aufklappen für Details zu Ihrer Einwilligung

Perfekt abgestimmt auf Bearbeitungsprozess

Langfristig profitiert der Anwender davon, dass er dank der Empfehlung des «Tool Selectors» die perfekt abgestimmte Entgratlösung in seinen Bearbeitungsprozess integrieren kann. Dies erhöht die Prozesssicherheit, da Fehler und Nacharbeiten deutlich reduziert werden. Dadurch kann der Anwender zudem seine Kosteneffizienz steigern – etwa durch weniger Ausschuss.

Der «Tool Selector» bietet einen Überblick über das Standardsortiment an Werkzeuglösungen. Bei Interesse an einer Sonderanfertigung besteht zudem die Möglichkeit, direkt mit den Entgrat-Experten des Unternehmens in Kontakt zu treten, um gemeinsam eine individuell abgestimmte Sonderlösung zu entwickeln. Kundenspezifische Entgratlösungen entstehen so in enger Abstimmung und erweitern das Angebot über das Standardsortiment hinaus.

(böh)

(ID:50593244)